
產品市場market
產品分類Classify

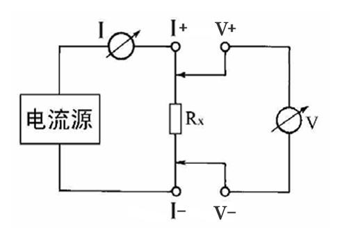
HNDT-10A接地引下線導通測試儀采用電流電壓法測試原理,也稱四線法測試技術,原理方框圖見圖1。

圖1: 測試原理圖
由電流源經“I+、I-兩端口(也稱I型口),供給被測電阻Rx電流,電流的大小有電流表I讀出,Rx兩端的電壓降“V+、V-”兩端口(也稱V型口)取出,由電壓表V讀出。通過對I、V的測量,就可以算出被測電阻的阻值。
由上圖可看出,接地引下線導通測試儀采用的是四端子法測量,因此可消除導線電阻和接觸電阻帶來的誤差。
下一篇:直流電阻測試儀操作注意事項